Mô tả chi tiết về sản phẩm Xylanh thủy lực 2H (J, JB)
Xylanh thủy lực 2H (J, JB) xuất xứ từ thương hiệu Parker–một hãng sản xuất các sản phẩm thủy lực nổi tiếng đến từ Mỹ. Với 100 năm hình thành và phát triển (1918-2019), Parker Hannifin trở thành một trong những nhà cung cấp thủy lực lớn nhất thế giới với doanh thu hàng năm lên đến hàng tỷ đô la Mỹ. Sản phẩm Parker được người tiêu dùng đánh giá chất lượng và đẳng cấp.
Các sản phẩm Parker được nhập khẩu và phân phối chính thức bởi Parker Việt Nam . Với hơn 12 năm kinh nghiệm trong ngành tự động hóa chúng tôi tin chắc rằng có thể đem đến sự phục vụ tốt nhất cho khách hàng.
THÔNG SỐ KỸ THUẬT
- Tiêu chuẩn thiết kế: ANSI/(NFPA) – 12 kiểu gá lắp
- Bore size: 1,5’’ – 8.00’’ (inch)
- Hành trình: theo yêu cầu
- Áp suất làm việc 3000 Psi
- Nhiệt độ làm việc: -20 – 150 oC
MÃ ĐẶT HÀNG



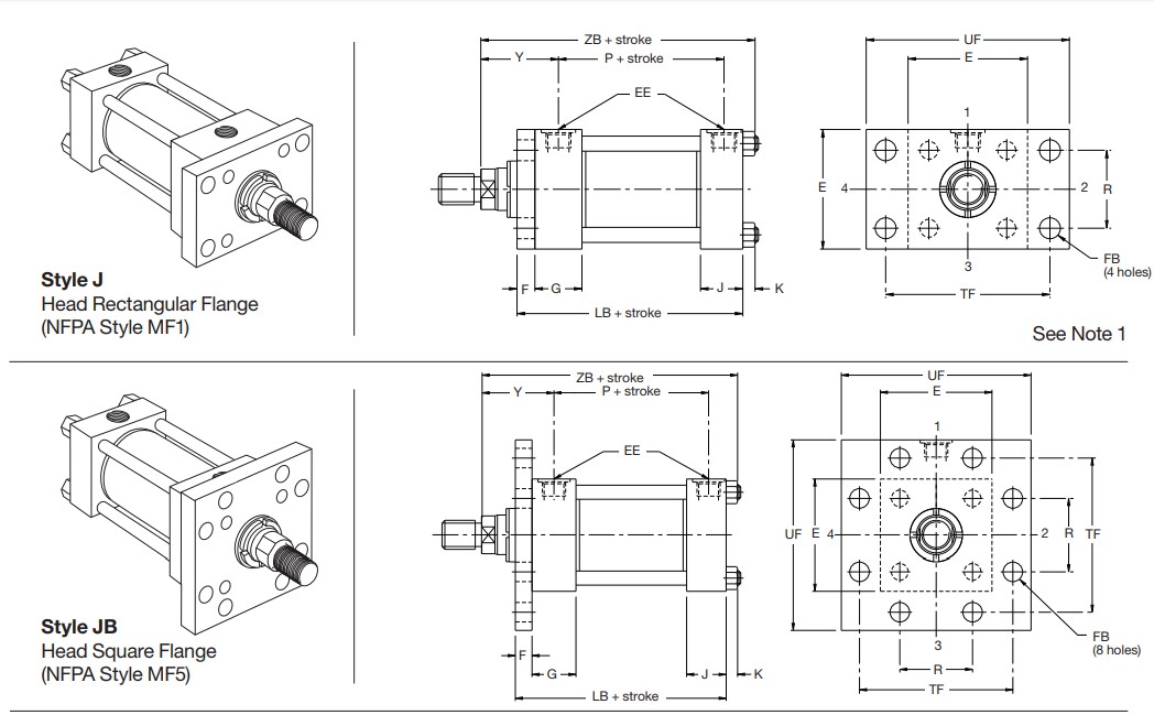
KÍCH THƯỚC LẮP ĐẶT


Phạm vi ứng dụng
- Dùng nhiều trên các thiết bị công nghiệp; máy ép-đùn nhôm, máy chấn, dập,
- Dùng trong các hệ thống thủy lực trong nhà máy xi măng (Hệ thống thủy lực điều khiển Sàn ghi…),
- Hệ thống thủy lực nhà máy Thép (Hệ thống nghiêng lò, nắn nguội, hệ thống băm chặt phế), …..
- Dùng trên các thiết bị máy công trình: Máy múc, xe nâng, máy khoan…..
Lý do nên sử dụng sản phẩm Xylanh thủy lực 2H (J, JB) của Parker Việt Nam ?
- Chúng tôi là đại diện chính hãng và duy nhất tại Hà Nội
- Được Parker lựa chọn là nhà phân phối chiến lược cho đến năm 2025
- Nhiều mặt hàng có sẵn tại kho của công ty
- Có dịch vụ sửa chữa, tư vấn khắc phục nhanh nhất sau 48 giờ.
- Có thể chuyển đổi từ các hãng khác như Rexroth, Danieli sang hãng Parker.
Địa chỉ:
- CS1: 91 Đê La Thành, Ô Chợ Dừa, Đống Đa, Hà Nội
- CS2: Số 4, ngõ 110 Trần Duy Hưng, Trung Hòa, Cầu Giấy, Hà Nội.
Phone: 02435132848
Fax: 024.3513.2858
Hotline: 0989257507
Xem thêm: Bơm thủy lực piston Parker ứng dụng trong loại máy công trình