


.png)
Slider 01
Slider 02
Slider
Slider 03
Slider 01
Slider 02
Slider
Slider 03
Ở nước ta có mạng lưới sông ngòi khá dày đặc thuận lợi cho tiềm năng phát triển ngành công nghiệp thủy điện - thủy lợi. Các công trình thủy lợi trên hệ thống các sông lớn sông nhỏ phục vụ nhu cầu tưới tiêu trong nông nghiệp, chuyển hóa sức nước thành điện năng với các công trình thủy điện lớn.
Việc lắp đặt các thiết bị thủy lực trở nên phổ biến trong công trình thủy lợi, thủy điện dùng để nâng hạ đóng mở các của van.
Hệ thống thủy lực này bao gồm bốn cụm thiết bị chính: Trạm nguồn, xi lanh thuỷ lực, các thiết bị điều khiển và hệ thống đường ống.
Thiết bị thủy lực còn dùng để nâng hạ hệ thống vớt rác trước các của đập để bảo vệ tuốc bin.
Đặc tính quan trọng trong thuỷ lực học là áp suất, thường thì áp suất P đối với xi lanh thuỷ lực, bơm và động cơ thuỷ lực P = 30 ÷ 400 bar.
Để tính chọn xi lanh thuỷ lực, trạm nguồn và các phần tử khác, trước hết phải chọn áp suất làm việc của hệ thống, thông thường chọn áp suất làm việc của hệ thống thiết bị thủy lực cũng như Xi lanh thuỷ lực từ 100 ÷ 200 bar để tăng tuổi thọ của các hệ thống thủy lực ,độ bền và độ an toàn của máy thủy điện.
Môi trường làm việc của các xi lanh thường là ngoài trời ,khi hậu của nước ta lại ở vùng nhiệt đới nắng ẩm mưa nhiều nên sự tác động phá hủy của môi trường lên các thiết bị thủy lực rất nặng nề . Vì thế nên các thiết bị phải đảm bảo được yêu cầu chịu lực cao. Ví dụ như hệ thống ống dẫn,đầu nối,van khóa thường sử dụng thép không rỉ mác cao 304 đến 316 sơn mặt ngoài của vỏ xi lanh ,thùng dầu bằng sơn êmunci chịu nhiệt chịu hơi nước chống mòn và rỉ tốt, cán piston cần được mã crom với độ dày trên 20 μk và đủ cứng để chống va đập.
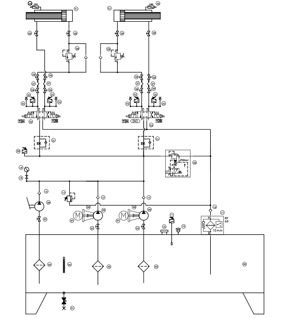
Một trong những sơ đồ đặc trưng của hệ thủy lực được mô tả trên hình dưới đây:
Để nâng hạ đóng mở cửa đập nhận nước hoặc xả lũ (đối với cửa van cung hoặc cửa van phẳng) cần đến các xi lanh thủy lực. Các thông số cơ bản của một xi lanh bao gồm:
Xi lanh làm việc ngoài trời phải đảm bảo được các điều kiện kĩ thuật trong môi trường khắc nghiệt của thiên nhiên nơi xây dựng trạm thủy điện.Tính toán thiết kế xi lanh để đảm bảo các yêu cầu của từng loại cửa cho hợp lý để giảm chi phí đầu tư và đạt các chỉ tiêu tối ưu nhất.
Hệ thống đường ống thường dùng:
Bộ nguồn thủy lực (trạm nguồn thủy lực) gồm bơm với lưu lượng và áp suất thích hợp vận hành các xi lanh đáp ứng vận tốc lên và xuống của cửa đập với vận tốc cho phép;với các van điều chỉnh,điều khiển tích hợp đảm bảo độ chính xác và tin cậy cao.Cọ các bơm và hệ thông dự phong các sự cố hy hựu.
Ngoài loại cánh cửa trên có thể dùng kiểu van đĩa như mô tả trên hình dưới đây các cửa van kiểu này dùng cho các đập thủy điện hoặc thủy lợi vừa và nhỏ.Với các cửa van có đường kính khoảng < 1500 mm.
Xem thêm: Địa chỉ phân phối Bơm thủy lực xe cẩu 7-100 tấn giá tốt nhất
Ví dụ như Bơm thủy lực Piston Parker PVAC 65R4213 dùng cho xilanh thủy lực mở cửa liệu
Công ty cổ phần tự động hóa An Huy là nhà phân phối các thiết bị Bơm - Van - Xy lanh thủy lực của các thương hiệu hàng đầu thế giới Parker, Eaton, Yuken, Nachi, Aseda, Huade đến từ Mỹ, Nhật, Đức, Hàn Quốc, ….. Và các sản phẩm Bộ nguồn thủy lực do An Huy chúng tôi tự thiết kế, lắp ráp theo yêu cầu của quý khách hàng nhằm đem đến giải pháp tối ưu nhất.
Xem thêm: Bơm 3 tầng vỏ nhôm dùng cho máy xúc giá tốt
Công ty cổ phần tự động hóa An Huy là nhà phân phối độc quyền các thiết bị thủy lực của hãng tại Việt Nam. Ngoài ra công ty đầu tư xây dựng hệ thống nhà xưởng tại địa chỉ Lô 35 cụm công nghiệp Lại Yên, Hoài Đức Hà Nội.
Chúng tôi đem đến các giải pháp thủy lực tối ưu nhất, cung cấp đầy đủ các sản phẩm nhằm đáp ứng nhu cầu của quý khách hàng
Chúng tôi cam kết các sản phẩm được nhập khẩu chính hãng. Có chứng nhận xuất xứ đầy đủ. Sản phẩm được nhập khẩu với số lượng lớn.
CÔNG TY CỔ PHẦN TỰ ĐỘNG HÓA AN HUY
——————————————————————————
Địa chỉ : 91 Đê La Thành, Ô Chợ Dừa, Đống Đa, Hà Nội
Điện thoại: 0977282045 – 0989257507
Website: https://anhuyautomatic.com.vn/
Email: anhuyhydraulic@gmail.com
——————————————————————————
Xem thêm: Đại lí phân phối Xy lanh thủy lực Parker giá tốt nhất
Bạn đã có tài khoản? Đăng nhập