Danh mục sản phẩm
Slider 01
Slider 02
Slider
Slider 03
Slider 01
Slider 02
Slider
Slider 03
Slider 01
Slider 02
Slider
Slider 03

Van Parker D41VW004C4NTW

Mã sản phẩm: PARKER
Giá thị trường:
Giá bán: Giá liên hệ
Thời gian:  
Khởi hành:  01/01/1900
Phương tiện:  
Địa điểm:  
Diện tích:  m2
Vị trí:  
Bạn đang chọn:
Tư vấn mua hàng 0989.257.507
Chia sẻ sản phẩm với bạn bè:
Chi tiết sản phẩm
Van Parker D41VW004C4NTW thuộc dòng Van thủy lực điều khiển đến từ thương hiệu hàng đầu thế giới. Sản phẩm được nhập khẩu trực tiếp từ hãng với giá tốt nhất. Khách hàng có nhu cầu mua hàng liên hệ hotline 0977282045 để được tư vấn nhanh chóng.

Van Parker D41VW004C4NTW - Hàng chính hãng giá tốt nhất

  • Xuất xứ: Thương hiệu Parker - Sản xuất tại GERMANY/ EU
Setup các tiêu chuẩn phù hợp với thực tế nhu cầu từng loại máy trong công nghiệp.
Kho van Parker tại Thủy lực An Huy
 
Kho van Parker tại Thủy lực An Huy

Ưu điểm Van Parker D41VW004C4NTW

Dòng van điều khiển hướng hoạt động mạnh mẽ và bền bỉ được áp dụng phổ biến và đảm bảo hoạt động đáng tin cậy. 
Nhiều loại ống cuộn phù hợp với hầu hết các mạch thủy lực
Giảm áp suất thấp dẫn đến giảm tổn thất năng lượng khi vận hành

Thông số kĩ thuật Van Parker D41VW004C4NTW


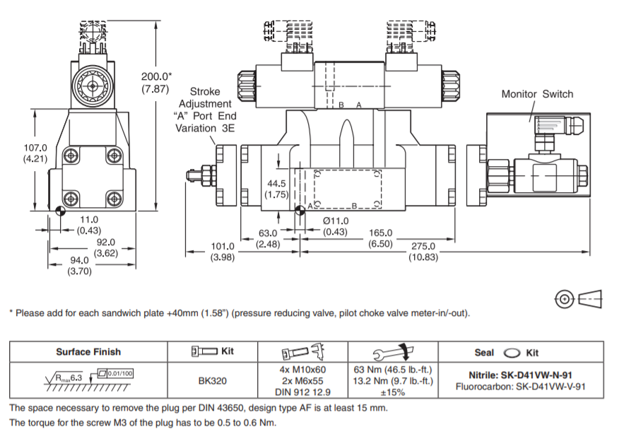
Kích thước Van Parker D41VW004C4NTW



Mã đặt hàng Van Parker D41VW004C4NTW

 

Xem thêm: Van Parker D3W008CNTW

Đại lí phân phối Van Parker D41VW004C4NTW giá tốt- Thủy lực AN HUY


Thủy lực An Huy mang đến bộ sản phẩm Bơm thủy lực Parker, Van thủy lực Parker, Xy lanh thủy lực Parker, Motor thủy lực Parker, Bộ nguồn thủy lực Parker,... với nhiều model có sẵn tại kho phục vụ nhu cầu khách hàng.
Công ty cổ phần tự động hóa An Huy là nhà phân phối độc quyền các dòng sản phẩm của hãng tại Việt Nam. Chúng tôi cam kết các sản phẩm được nhập khẩu chính hãng. Sản phẩm được nhập khẩu với số lượng lớn. Ngoài ra công ty còn đầu tư xây dựng xưởng sản xuất tại Lô 35, cụm công nghiệp Lại Yên, Hoài Đức, Hà Nội
  • Nguồn gốc rõ ràng, check hàng khi được nhận và hoàn trả nếu phát hiện sản phẩm không đạt chất lượng.
  • Giá cả rẻ nhất thị trường, giao hàng nhanh thiết bị thủy lực  trên toàn phạm vi toàn quốc
  • Chế độ bảo hành, sửa chữa, vận chuyển nhanh chóng, tiện lợi trên phạm vi toàn quốc.

CÔNG TY CỔ PHẦN TỰ ĐỘNG HÓA AN HUY
——————————————————————————
Địa chỉ : 91 Đê La Thành, Ô Chợ Dừa, Đống Đa, Hà Nội
Điện thoại: 0977282045
Email: anhuyhydraulic@gmail.com
——————————————————————————

Xem thêm: Van Parker D3W020BNTWXG562
 
Thông số sản phẩm
Ý kiến đánh giá
Bình luận
Sản phẩm đã xem
Giao hàng hỏa tốc trong 1 giờ
Giao hàng hỏa tốc trong 1 giờ
Thanh toán linh hoạt: tiền mặt, visa
Thanh toán linh hoạt: tiền mặt, visa
Lỗi đổi tại nhà trong 1 ngày
Lỗi đổi tại nhà trong 1 ngày
Hỗ trợ quý khách hàng suốt thời gian sử dụng
Hỗ trợ quý khách hàng suốt thời gian sử dụng. Hotline 0989.257.507
Hotline
0989.257.507
Zalo
0989.257.507
Viber
0989.257.507