Danh mục sản phẩm
Slider 01
Slider 02
Slider
Slider 03
Slider 01
Slider 02
Slider
Slider 03
Slider 01
Slider 02
Slider
Slider 03

Van điều khiển điện D1VW020BNJW15N92

Mã sản phẩm: PARKER
Giá thị trường:
Giá bán: Giá liên hệ
Thời gian:  
Khởi hành:  01/01/1900
Phương tiện:  
Địa điểm:  
Diện tích:  m2
Vị trí:  
  • Xuất xứ: Thương hiệu Parker - Germany
  • Van phân phối điều khiển bằng điện 4/2
  • Lưu lưu lượng max: 80 l/min
  • Áp suất max: 350 bar P,A,B/140 bar T
  • Điện áp: 24V
Bạn đang chọn:
Tư vấn mua hàng 0989.257.507
Chia sẻ sản phẩm với bạn bè:
Chi tiết sản phẩm
Van điều khiển điện D1VW020BNJW15N92 xuất xứ thương hiệu Parker nổi tiếng thế giới. Sản phẩm được nhập khẩu trực tiếp từ hãng với giá tốt nhất. Liên hệ Thủy lực An Huy qua hotline 0977282045 để được tư vấn và nhận báo giá đại lý.

Van điều khiển điện D1VW020BNJW15N92 - Hàng nhập khẩu giá tốt nhất

  • Xuất xứ: Thương hiệu Parker - GERMANY/ EU
Nguyên lý hoạt động là cung cấp điện áp cho van có thể là 12VDC, 24VDC, 110VAC, 220VAC,... thì van sẽ mở cửa dầu để điều khiển các cơ cấu chấp hành.
 
Kho van Parker tại Thủy lực An Huy
 
Kho van Parker tại Thủy lực An Huy

Thông số kĩ thuật Van điều khiển điện D1VW020BNJW15N92

  • Van phân phối điều khiển bằng điện 4/2
  • Lưu lưu lượng max: 80 l/min
  • Áp suất max: 350 bar P,A,B/140 bar T
  • Điện áp: 24V

Mã đặt hàng Van điều khiển điện D1VW020BNJW15N92


Xem thêm: Van Parker D1VW002CNJW

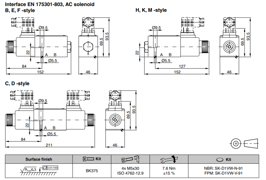
Kích thước lắp đặt Van điều khiển điện D1VW020BNJW15N92

Ứng dụng Van điều khiển điện D1VW

Van điều khiển điện Parker dòng D1VW là dòng van thủy lực phổ biến nhất. Các van này được sử dụng rộng rãi trên các bộ nguồn thủy lực đặc biệt nhà máy sản xuất xi măng - thép, lắp trên các máy công nghiệp như máy đùn nhôm, máy đúc nhôm,....hoặc trên các dây truyền sản xuất công nghiệp.
 

Van điều khiển điện D1VW020BNJW15N92

Chuyên cung cấp Van điều khiển điện D1VW giá tốt trên toàn quốc - Thủy lực AN HUY


Công ty cổ phần tự động hóa An Huy là nhà phân phối độc quyền các dòng sản phẩm của hãng tại Việt Nam. Chúng tôi cam kết các sản phẩm được nhập khẩu chính hãng. Sản phẩm được nhập khẩu với số lượng lớn. Ngoài ra công ty còn đầu tư xây dựng xưởng sản xuất tại Lô 35, cụm công nghiệp Lại Yên, Hoài Đức, Hà Nội
  • Nguồn gốc rõ ràng, check hàng khi được nhận và hoàn trả nếu phát hiện sản phẩm không đạt chất lượng.
  • Giá cả tốt nhất thị trường, giao hàng nhanh thiết bị thủy lực  trên toàn phạm vi toàn quốc
  • Chế độ bảo hành, sửa chữa, vận chuyển nhanh chóng, tiện lợi trên phạm vi toàn quốc.

CÔNG TY CỔ PHẦN TỰ ĐỘNG HÓA AN HUY
——————————————————————————
Địa chỉ : 91 Đê La Thành, Ô Chợ Dừa, Đống Đa, Hà Nội
Điện thoại: 0977282045 – 0989257507
Email: anhuyhydraulic@gmail.com
——————————————————————————
Xem thêm: Van điều khiển điện D1VW001FNJW91

Thông số sản phẩm
Ý kiến đánh giá
Bình luận
Sản phẩm đã xem
Giao hàng hỏa tốc trong 1 giờ
Giao hàng hỏa tốc trong 1 giờ
Thanh toán linh hoạt: tiền mặt, visa
Thanh toán linh hoạt: tiền mặt, visa
Lỗi đổi tại nhà trong 1 ngày
Lỗi đổi tại nhà trong 1 ngày
Hỗ trợ quý khách hàng suốt thời gian sử dụng
Hỗ trợ quý khách hàng suốt thời gian sử dụng. Hotline 0989.257.507
Hotline
0989.257.507
Zalo
0989.257.507
Viber
0989.257.507