Danh mục sản phẩm
Slider 01
Slider 02
Slider
Slider 03
Slider 01
Slider 02
Slider
Slider 03
Slider 01
Slider 02
Slider
Slider 03

Van xả tải điện R4V03-5351009W31A125031

Mã sản phẩm: PARKER
Giá thị trường:
Giá bán: Giá liên hệ
Thời gian:  
Khởi hành:  01/01/1900
Phương tiện:  
Địa điểm:  
Diện tích:  m2
Vị trí:  
  • Van áp suất điện (van xả tải điện) gồm các model:
  • RS10R35S4SN1JW
  • RS10R35S4SN1TW
  • RS25R35S4SN1JW
  • RS25R35S4SN1TW
  • RS32R35S4SN1JW
  • R6V10-5951009W31B1
  • R4V03-5351009W31A1-25031
Bạn đang chọn:
Tư vấn mua hàng 0989.257.507
Chia sẻ sản phẩm với bạn bè:
Chi tiết sản phẩm
Van xả tải điện R4V03-5351009W31A125031 được phân phối bởi Thủy lực An Huy với chính sách giao hàng toàn quốc. Sản phẩm được nhập khẩu trực tiếp từ Germany với giá phù hợp nhất . Chúng tôi cam kết mang đến sản phẩm chất lượng với đầy đủ CO, CQ cam kết nguồn gốc xuất xứ rõ ràng. Mua ngay Van áp suất điện tại Thủy lực An Huy qua hotline 0977282045 để được tư vấn nhanh nhất.

Van xả tải điện R4V03-5351009W31A125031

  • Xuất xứ: Thương hiệu Parker - GERMANY
Van áp suất xả tải được sản xuất theo quy trình chất lượng kiểm soát chặt chẽ trước khi xuất hàng.
Sảm phẩm thuộc dòng Van thủy lực đến từ thương hiệu Parker uy tín với hơn 100 năm tồn tại và phát triển sản phẩm trong lĩnh vực thủy lực - khí nén. Được khách hàng trên toàn thế giới tin dùng, trong đó có Việt Nam.
Van áp suất điện (van xả tải điện) R4V03-5351009W31A125031

Van xả tải điện R4V03-5351009W31A125031 tại An Huy

Ưu điểm nổi bật của Van xả tài/ van áp suất điện mang lại sự ổn định và có tuổi thọ cao.
Van áp suất điện( van xả tải điện) dùng để xả áp hệ thống của bộ nguồn thủy lực, giúp cho áp máy khởi động nhẹ tải, dầu không bị nóng khi bơm chạy liên tục, do đó góp phần vận hành trơn tru.
Các sản phẩm Van thủy lực Parker liên tục được cập nhật về kho hàng An Huy phục vụ nhu cầu của khách hàng.

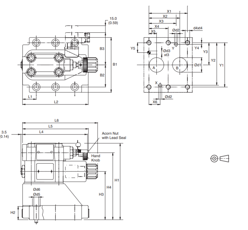
Bản vẽ Van xả tải điện R4V03-5351009W31A125031

Ứng dụng Van xả tải điện R4V03-5351009W31A125031

Các van áp suất xả tải được lắp trên các bộ nguồn thủy lực của nhà máy sản xuất thép, nhà máy sản xuất xi măng hay lắp trên bất cứ bộ nguồn thủy lực nào.
Có thể thay thế tương đương 100% cho các thương hiệu khác của Rexroth.
Xem thêm: Bảng giá Bộ nguồn thủy lực Parker 24V tốt nhất Hà Nội

Mua Van xả tải điện R4V03-5351009W31A125031 giá tốt- Thủy lực AN HUY

 
Công ty cổ phần tự động hóa An Huy là nhà phân phối độc quyền các dòng sản phẩm của hãng tại Việt Nam. Chúng tôi cam kết các sản phẩm được nhập khẩu chính hãng. Sản phẩm được nhập khẩu với số lượng lớn. Ngoài ra công ty còn đầu tư xây dựng xưởng sản xuất tại Lô 35, cụm công nghiệp Lại Yên, Hoài Đức, Hà Nội
  • Nguồn gốc rõ ràng, check hàng khi được nhận và hoàn trả nếu phát hiện sản phẩm không đạt chất lượng.
  • Giá cả rẻ nhất thị trường, giao hàng nhanh thiết bị thủy lực  trên toàn phạm vi toàn quốc
  • Chế độ bảo hành, sửa chữa, vận chuyển nhanh chóng, tiện lợi trên phạm vi toàn quốc.

CÔNG TY CỔ PHẦN TỰ ĐỘNG HÓA AN HUY
——————————————————————————
Địa chỉ : 91 Đê La Thành, Ô Chợ Dừa, Đống Đa, Hà Nội
Điện thoại: 0977282045 – 0989257507
Email: anhuyhydraulic@gmail.com
——————————————————————————
Xem thêm: Ứng dụng thiết bị thủy lực trong ngành sắt thép

Thông số sản phẩm
Ý kiến đánh giá
Bình luận
Giao hàng hỏa tốc trong 1 giờ
Giao hàng hỏa tốc trong 1 giờ
Thanh toán linh hoạt: tiền mặt, visa
Thanh toán linh hoạt: tiền mặt, visa
Lỗi đổi tại nhà trong 1 ngày
Lỗi đổi tại nhà trong 1 ngày
Hỗ trợ quý khách hàng suốt thời gian sử dụng
Hỗ trợ quý khách hàng suốt thời gian sử dụng. Hotline 0989.257.507
Hotline
0989.257.507
Zalo
0989.257.507
Viber
0989.257.507