Danh mục sản phẩm
Slider 01
Slider 02
Slider
Slider 03
Slider 01
Slider 02
Slider
Slider 03
Slider 01
Slider 02
Slider
Slider 03

Motor Parker TB0330AM110AAAB

Mã sản phẩm: PARKER
Giá thị trường:
Giá bán: Giá liên hệ
Thời gian:  
Khởi hành:  01/01/1900
Phương tiện:  
Địa điểm:  
Diện tích:  m2
Vị trí:  
Bạn đang chọn:
Tư vấn mua hàng 0989.257.507
Chia sẻ sản phẩm với bạn bè:
Chi tiết sản phẩm
Motor Parker TB0330AM110AAAB đến từ hãng Parker hàng đầu trong ngành thủy lực. Thủy lực An Huy chúng tôi là đại lý phân phối chính hãng thiết bị thủy lực của hãng tại Việt Nam. Khách hàng có nhu cầu mua hàng liên hệ hotline 0977282045 để được tư vấn đặt hàng nhanh chóng.

Motor Parker TB0330AM110AAAB - Motor thủy lực kiểu bi

  • Xuất xứ: Thương hiệu Parker - USA
  • Bảo hành theo chế độ bảo hành của hãng
  • Giao hàng tận nơi trên toàn quốc
Mô tả thông số
  • Áp suất max 200bar
  • Lưu lượng 330cc. 
  • Tốc độ TB: Max 900 Vòng/ Phút                    
  • Trục 6 then, 21.5mm
Motor Parker TB0330AM110AAAB

Các tính năng thiết kế bao gồm một con dấu trục áp suất cao để không bao giờ cần có ống thoát nước bên ngoài, công nghệ cánh con lăn để bù mòn tự động, làm mát và xả toàn bộ bên trong. Đây là một động cơ cho hầu hết các ứng dụng nhẹ đến trung bình.

Thông số kĩ thuật Motor Parker TB0330AM110AAAB

Mã đặt hàng Motor Parker TB0330AM110AAAB

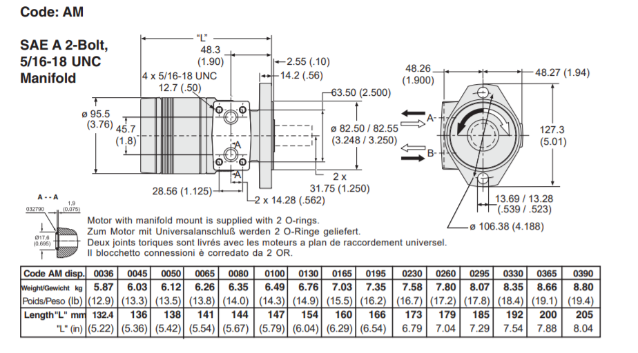
Kích thước Motor Parker TB0330AM110AAAB

Ứng dụng Motor Parker TB0330AM110AAAB

Motor thủy lực Parker TB series được ứng dụng trong các loại máy công nghiệp như Máy chế biến gỗ, Máy rải nhựa đường, Máy ép nhựa… 
Motor thủy lực Parker TB series được ứng dụng trong máy chế biến gỗ
Motor thủy lực Parker TB series được ứng dụng trong máy rải nhựa đường
Motor thủy lực Parker TB series được ứng dụng trong máy ép nhựa
 

Địa chỉ cung cấp Motor Parker TB0330AM110AAAB GIÁ TỐT - Thủy lực AN HUY

 

Công ty Cổ phần Tự động hóa An Huy mang tới các dòng thiết bị thủy lực Bơm thủy lực ParkerVan thủy lực ParkerXy lanh thủy lực ParkerMotor thủy lực ParkerBộ nguồn Parker,...

Công ty cổ phần tự động hóa An Huy là nhà phân phối độc quyền các dòng bơm của hãng tại Việt Nam. Chúng tôi cam kết các sản phẩm được nhập khẩu chính hãng. Có chứng nhận xuất xứ đầy đủ. Sản phẩm được nhập khẩu với số lượng lớn

  • Nguồn gốc rõ ràng, check hàng khi được nhận và hoàn trả nếu phát hiện sản phẩm không đạt chất lượng.
  • Giá cả tốt nhất thị trường, giao hàng nhanh thiết bị thủy lực  trên toàn phạm vi toàn quốc
  • Chế độ bảo hành, sửa chữa, vận chuyển nhanh chóng, tiện lợi trên phạm vi toàn quốc.

CÔNG TY CỔ PHẦN TỰ ĐỘNG HÓA AN HUY
——————————————————————————
Địa chỉ : 91 Đê La Thành, Ô Chợ Dừa, Đống Đa, Hà Nội
Điện thoại: 0977282045 – 0989257507
Website: https://anhuyautomatic.com.vn/ 
Email: anhuyhydraulic@gmail.com
——————————————————————————
Xem thêm: Bơm piston PV Plus Parker giá tốt nhất thị trường

Thông số sản phẩm
Ý kiến đánh giá
Bình luận
Sản phẩm đã xem
Giao hàng hỏa tốc trong 1 giờ
Giao hàng hỏa tốc trong 1 giờ
Thanh toán linh hoạt: tiền mặt, visa
Thanh toán linh hoạt: tiền mặt, visa
Lỗi đổi tại nhà trong 1 ngày
Lỗi đổi tại nhà trong 1 ngày
Hỗ trợ quý khách hàng suốt thời gian sử dụng
Hỗ trợ quý khách hàng suốt thời gian sử dụng. Hotline 0989.257.507
Hotline
0989.257.507
Zalo
0989.257.507
Viber
0989.257.507