


.png)
Slider 01
Slider 02
Slider
Slider 03
Slider 01
Slider 02
Slider
Slider 03
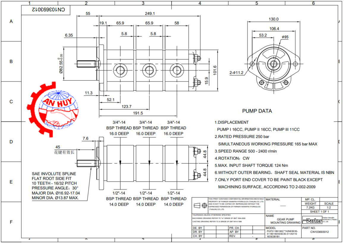
Bơm bánh răng 3 tầng Parker CN103693012 có kết cấu vỏ nhôm nguyên khối bền chắc với trục 10 then dài 45mm.
Bơm thủy lực bánh răng được Thủy lực An Huy cung cấp dùng cho máy xúc mini, máy xúc nhỏ 1.2 đến 3.5 tấn như các dòng máy xúc PC20, PC30, ZZX40, PC20U, PC30U, PC50U, SV08, MS01, MS02, DX55W,... phổ biến trên thị trường hiện nay. Bao gồm các dòng Bơm thủy lực 2 tầng và 3 tầng vỏ nhôm loại trục phổ biến 9 then, 10 then hoặc 11 then.
Thủy lực An Huy chúng tôi cung cấp các Model đáp ứng được kỹ thuật tốt, phù hợp với nhiều loại máy.
| STT | Bơm bánh răng PGP511 | Mã | Thông số |
| 1 | Bơm bánh răng PGP511 dùng cho máy xúc mini | CN103693015 | Bơm 3 tầng- trục11 then dài 45mm |
| 2 | Bơm bánh răng PGP511 dùng cho máy xúc mini | CN103693016 | Bơm 3 khoang trục tròn 19 dài 45mm |
| 3 | Bơm bánh răng PGP511 dùng cho máy xúc mini | CN103692021 | Bơm 2 khoang |
| 4 | Bơm bánh răng PGP511 dùng cho máy xúc mini | CN103692023 | Bơm 2 khoang 33-33cc trục tròn 19 |
| 5 | Bơm bánh răng PGP511 dùng cho máy xúc mini | CN103692015 | Bơm 2 khoang Trục 10 then |
| 6 | Bơm bánh răng PGP511 dùng cho máy xúc mini | CL3349111480 | Bơm 9 then quay phải bắt bích |
| 7 | Bơm bánh răng PGP511 dùng cho máy xúc mini | CN103691026 | Trục tròn 15.8mm |
| 8 | Bơm bánh răng PGP511 dùng cho máy xúc mini | CN103692018 | Bơm 2 Tầng - trục 10 then |
| 9 | Bơm bánh răng PGP511 dùng cho máy xúc mini | CN103692011 | Bơm 2 Tầng - trục 10 then |
| 10 | Bơm bánh răng PGP511 dùng cho máy xúc mini | CN103693012 | Bơm 3 tầng 10 then dài 45mm |
| 11 | Bơm bánh răng PGP511 dùng cho máy xúc mini | CN103692023 | Bơm 2 Tầng trục tròn lỗ vào ra bắt bích |
| 12 | Bơm bánh răng PGP511 dùng cho máy xúc mini | CN103692019 | Bơm 2 Tầng - trục 10 then |
| 13 | Bơm bánh răng PGP511 dùng cho máy xúc mini | CN103692013 | Bơm 3 tầng 10 then đường vào ra bắt ren |
| 14 | Bơm bánh răng PGP511 dùng cho máy xúc mini | CN103693014 | Bơm 3 tầng trục 11 then dài 45mm |
| 15 | Bơm bánh răng PGP511 dùng cho máy xúc mini | CN103693013 | Bơm 3 tầng trục 11 then dài 45mm |
| 16 | Bơm bánh răng PGP511 dùng cho máy xúc mini | CN103693009 | Bơm 3 tầng trục 10 then dài 45mm |
| 17 | Bơm bánh răng PGP511 dùng cho máy xúc mini | CN103693011 | Bơm 3 tầng trục 10 then dài 45mm |
.jpg)
CÔNG TY CỔ PHẦN TỰ ĐỘNG HÓA AN HUY
——————————————————————————
Địa chỉ : 91 Đê La Thành, Ô Chợ Dừa, Đống Đa, Hà Nội
Điện thoại: 0977282045 – 0989257507
Email: anhuyhydraulic@gmail.com
——————————————————————————
Xem thêm: Mua Bơm bánh răng Parker PGP511 giá tốt
Bạn đã có tài khoản? Đăng nhập