


.png)
Slider 01
Slider 02
Slider
Slider 03
Slider 01
Slider 02
Slider
Slider 03
Bơm bánh răng Parker model CN103692023 dùng phổ biến trên các máy xúc mini, máy xúc nhỏ 1.2 đến 3.5 tấn như các dòng máy xúc PC20, PC30, ZZX40, PC20U, PC30U, PC50U, SV08, MS01, MS02, DX55W,... phổ biến trên thị trường hiện nay thuộc các hãng KOMATSU, HITACHI, KOBELCO, DOOSAN,.... Sẵn kho các Model đáp ứng được kỹ thuật tốt, phù hợp với nhiều loại máy.
Thủy lực An Huy chuyên cung cấp các thiết bị Bơm thủy lực bánh răng đến từ hãng Parker chất lượng tốt thay thế được cho các dòng Bơm thủy lực nhập khẩu nguồn gốc từ các thị trường như China, Taiwan, Korea, Thổ Nhĩ Kỳ đều không thể làm việc bền và lâu dài.
| STT | Bơm bánh răng PGP511 | Mã | Thông số |
| 1 | Bơm bánh răng PGP511 dùng cho máy xúc mini | CN103693015 | Bơm 3 tầng- trục11 then dài 45mm |
| 2 | Bơm bánh răng PGP511 dùng cho máy xúc mini | CN103693016 | Bơm 3 khoang trục tròn 19 dài 45mm |
| 3 | Bơm bánh răng PGP511 dùng cho máy xúc mini | CN103692021 | Bơm 2 khoang |
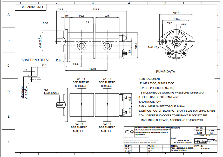
| 4 | Bơm bánh răng PGP511 dùng cho máy xúc mini | CN103692023 | Bơm 2 khoang 33-33cc trục tròn 19 |
| 5 | Bơm bánh răng PGP511 dùng cho máy xúc mini | CN103692015 | Bơm 2 khoang Trục 10 then |
| 6 | Bơm bánh răng PGP511 dùng cho máy xúc mini | CL3349111480 | Bơm 9 then quay phải bắt bích |
| 7 | Bơm bánh răng PGP511 dùng cho máy xúc mini | CN103691026 | Trục tròn 15.8mm |
| 8 | Bơm bánh răng PGP511 dùng cho máy xúc mini | CN103692018 | Bơm 2 Tầng - trục 10 then |
| 9 | Bơm bánh răng PGP511 dùng cho máy xúc mini | CN103692011 | Bơm 2 Tầng - trục 10 then |
| 10 | Bơm bánh răng PGP511 dùng cho máy xúc mini | CN103693012 | Bơm 3 tầng 10 then dài 45mm |
| 11 | Bơm bánh răng PGP511 dùng cho máy xúc mini | CN103692023 | Bơm 2 Tầng trục tròn lỗ vào ra bắt bích |
| 12 | Bơm bánh răng PGP511 dùng cho máy xúc mini | CN103692019 | Bơm 2 Tầng - trục 10 then |
| 13 | Bơm bánh răng PGP511 dùng cho máy xúc mini | CN103692013 | Bơm 3 tầng 10 then đường vào ra bắt ren |
| 14 | Bơm bánh răng PGP511 dùng cho máy xúc mini | CN103693014 | Bơm 3 tầng trục 11 then dài 45mm |
| 15 | Bơm bánh răng PGP511 dùng cho máy xúc mini | CN103693013 | Bơm 3 tầng trục 11 then dài 45mm |
| 16 | Bơm bánh răng PGP511 dùng cho máy xúc mini | CN103693009 | Bơm 3 tầng trục 10 then dài 45mm |
| 17 | Bơm bánh răng PGP511 dùng cho máy xúc mini | CN103693011 | Bơm 3 tầng trục 10 then dài 45mm |
.jpg)
CÔNG TY CỔ PHẦN TỰ ĐỘNG HÓA AN HUY
——————————————————————————
Địa chỉ : 91 Đê La Thành, Ô Chợ Dừa, Đống Đa, Hà Nội
Điện thoại: 0977282045 – 0989257507
Email: anhuyhydraulic@gmail.com
——————————————————————————
Bạn đã có tài khoản? Đăng nhập