Danh mục sản phẩm
Slider 01
Slider 02
Slider
Slider 03
Slider 01
Slider 02
Slider
Slider 03
Slider 01
Slider 02
Slider
Slider 03

Van giảm áp tỷ lệ R4R03-59512P2G0RB110 P/N: 028-62233-G

Mã sản phẩm: PARKER
Giá thị trường:
Giá bán: Giá liên hệ
Thời gian:  
Khởi hành:  01/01/1900
Phương tiện:  
Địa điểm:  
Diện tích:  m2
Vị trí:  
Bạn đang chọn:
Tư vấn mua hàng 0989.257.507
Chia sẻ sản phẩm với bạn bè:
Chi tiết sản phẩm
Van giảm áp tỷ lệ R4R03-59512P2G0RB110 P/N: 028-62233-G xuất xứ thương hiệu Parker nổi tiếng toàn thế giới. Sản phẩm được nhập khẩu trực tiếp từ hãng không qua trung gian. Khách hàng có nhu cầu mua hàng liên hệ hotline 0977282045 để được tư vấn. 

Van giảm áp tỷ lệ R4R03-59512P2G0RB110 P/N: 028-62233-G - Hàng có sẵn

  • Xuất xứ: Thương hiệu Parker
  • Bảo hành theo chế độ bảo hành của hãng
  • Chứng nhận CO, CQ đầy đủ nguồn gốc xuất xứ
Mô tả: Là van giảm áp được vận hành thí điểm đa năng để lắp tấm phụ, dòng R4R của Parker với điều chỉnh bằng tay và dòng R4R * P2 với điều chỉnh điện từ tỷ lệ cung cấp lưu lượng cao và đảm bảo áp suất không đổi trong phần thứ cấp của hệ thống thủy lực.
Van giảm áp tỷ lệ R4R03-59512P2G0RB110 P/N: 028-62233-G
Van Parker sẵn hàng tại kho Thủy lực An Huy
 
Van Parker sẵn hàng tại kho Thủy lực An Huy
 

Thông số kĩ thuật Van giảm áp tỷ lệ R4R03-59512P2G0RB110 P/N: 028-62233-G

Mã đặt hàng Van giảm áp tỷ lệ R4R03-59512P2G0RB110 P/N: 028-62233-G

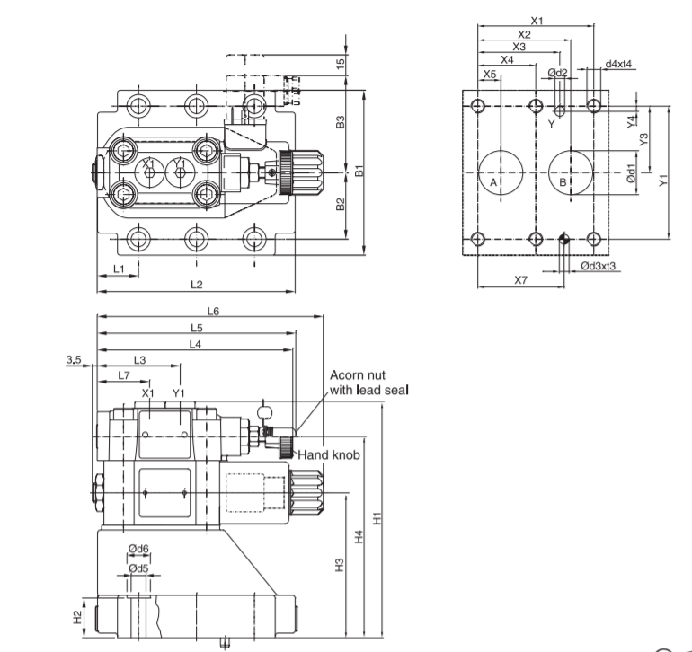
Kích thước lắp đặt Van giảm áp tỷ lệ R4R03-59512P2G0RB110 P/N: 028-62233-G

Xem thêm: HƯỚNG DẪN PHÂN BIỆT CÁC LOẠI VAN THỦY LỰC

Bảng giá Van giảm áp tỷ lệ R4R03-59512P2G0RB110 P/N: 028-62233-G cạnh tranh nhất thị trường


Công ty cổ phần tự động hóa An Huy, nhà phân phối các thiết bị bơm van xy lanh thủy lực của các thương hiệu Eaton, Yuken, Nachi, Aseda, Huade đến từ Mỹ, Nhật, Đức, Hàn Quốc, ….. và đặc biệt là Parker đến từ Mỹ- Thương hiệu hàng đầu thế giới! Ngoài ra công ty còn mở rộng xưởng sản xuất tại Lô 35, cụm Công nghiệp Lại Yên, Hoài Đức, Hà Nội

Chúng tôi cam kết các sản phẩm được nhập khẩu chính hãng. Có chứng nhận xuất xứ đầy đủ.

Khi quý khách mua hàng tại công ty chúng tôi sẽ được tứ vấn kĩ thuật, giải pháp miễn phí. Cam kết bảo hành sản phẩm. Hàng có sẵn.

CÔNG TY CỔ PHẦN TỰ ĐỘNG HÓA AN HUY
——————————————————————————-
Địa chỉ : 91 Đê La Thành, Ô Chợ Dừa, Đống Đa, Hà Nội
Điện thoại: 0977282045 – 0989257507
Email: anhuyhydraulic@gmail.com
——————————————————————————-
Xem thêm: Đại lí phân phối chính hãng Van thủy lực Parker

Thông số sản phẩm
Ý kiến đánh giá
Bình luận
Giao hàng hỏa tốc trong 1 giờ
Giao hàng hỏa tốc trong 1 giờ
Thanh toán linh hoạt: tiền mặt, visa
Thanh toán linh hoạt: tiền mặt, visa
Lỗi đổi tại nhà trong 1 ngày
Lỗi đổi tại nhà trong 1 ngày
Hỗ trợ quý khách hàng suốt thời gian sử dụng
Hỗ trợ quý khách hàng suốt thời gian sử dụng. Hotline 0989.257.507
Hotline
0989.257.507
Zalo
0989.257.507
Viber
0989.257.507