


.png)
Slider 01
Slider 02
Slider
Slider 03
Slider 01
Slider 02
Slider
Slider 03
Thiết bị thuỷ lực được sử dụng khá rộng rãi để nâng hạ đóng mở các cửa van trên các công trình thuỷ lợi, thuỷ điện. Thủy lực An Huy là nhà phân phối chính hãng các sản phẩm của nhiều hãng thủy lực hàng đầu thế giới, trong đó có Việt Nam. Liên hệ ngay để được tư vấn!
Thiết bị thuỷ lực được sử dụng khá rộng rãi để nâng hạ đóng mở các cửa van trên các công trình thuỷ lợi, thuỷ điện. Thủy lực An Huy là nhà phân phối chính hãng các sản phẩm của nhiều hãng thủy lực hàng đầu thế giới, trong đó có Việt Nam. Liên hệ ngay để được tư vấn!
- Thiết bị thuỷ lực nâng hạ đóng mở các cửa van được hiểu là hệ thống thuỷ lực. Hệ thống này bao gồm bốn cụm thiết bị chính: Trạm nguồn, xi lanh thuỷ lực, các thiết bị điều khiển và hệ thống đường ống.
- Thiết bị thủy lực nâng hạ hệ thống vớt rác trước các của đập để bảo vệ tuốc bin.
Đặc tính quan trọng trong thuỷ lực học là áp suất, thường thì áp suất P đối với xi lanh thuỷ lực, bơm và động cơ thuỷ lực P = 30 ÷ 400 bar.
Để tính chọn xi lanh thuỷ lực, trạm nguồn và các phần tử khác, trước hết phải chọn áp suất làm việc của hệ thống, thông thường chọn áp suất làm việc của hệ thống thiết bị thủy lực cũng như Xi lanh thuỷ lực từ 100 ÷ 200 bar.để tăng tuổi thọ của các hệ thống thủy lực ,độ bền và độ an toàn của máy thủy điện.
Việc tính toán lựa chọn và tính kiểm tra các thiết bị thuỷ lực bằng cách sử dụng các phương pháp và công thức thông thường. Do chưa có tiêu chuẩn, quy chuẩn quy định thống nhất quy trình và cách tính nên còn gặp lúng túng về nội dung yêu cầu và bước tính toán, về cách lấy các hệ số, v.v.
Môi trường làm việc của các xi lanh thường là ngoài trời ,khi hậu của nước ta lại ở vùng nhiệt đới nắng ẩm mưa nhiều nên sự tác động phá hủy của môi trường lên các thiết bị thủy lực rất nặng nề mà trong thiết kế hệ thông phải tính đến ví dụ:Hệ thống ống dẫn,đầu nối,van khóa thường sử dụng thép không rỉ mác cao 304 đến 316 sơn mặt ngoài của vỏ xi lanh ,thùng dầu bằng sơn êmunci chịu nhiệt chịu hơi nước chông mòn và rỉ tốt.Cán piston cần được mã crom với độ dầy trên 20 μk và đủ cứng để chống va đập .Theo yêu cầu của nhà sử dụng nhiều khi còn phủ gốm trên bề mặt cần piston nữa.
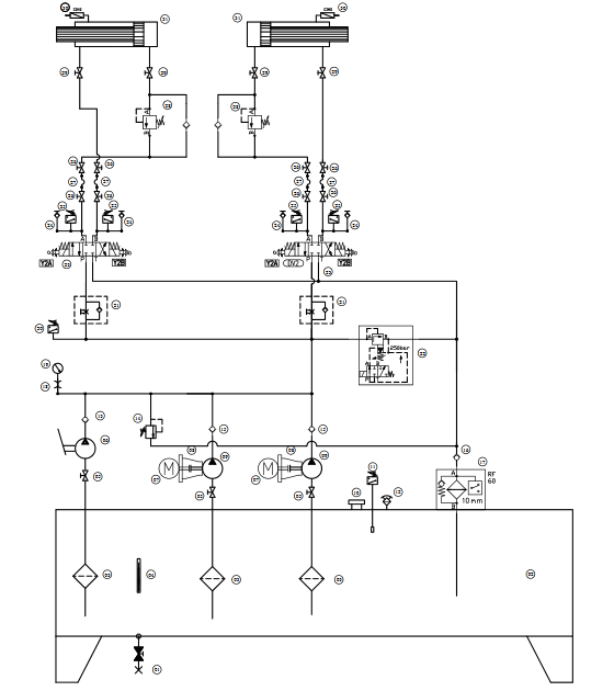
Một trong những sơ đồ đặc trưng của hệ thủy lực được mô tả trên hình dưới đây:

Để nâng hạ đóng mở cửa đập nhận nước hoặc xả lũ (đối với cửa van cung hoặc cửa van phẳng cần đến các xi lanh thủy lực:Các thông số cơ bản của một xi lanh bao gồm:-Đường kính trong của xi lanh;-Đường kính cần (cán) piston ;Hành trình làm việc;Kiểu gá lắp xi lanh trên công trình và các điều kiện kỹ thuật đối với xi lanh làm việc ngoài trời trong môi trường khắc nghiệt của thiên nhiên nơi xây dựng trạm thủy điện.Tính toán thiết kế xi lanh để đảm bảo các yêu cầu của từng loại cửa cho hợp lý để giảm chi phí đầu tư và đạt các chỉ tiêu tối ưu nhất.
Xem thêm: Van tỷ lệ parker D31FC dùng trong môi trường khắc nghiệt
Hệ thống đường ống thường dùng ống thép không rỉ với độ dày chịu áp suất đến 350 bar.Van khóa và các phụ kiện kết nối trên hệ thống cũng bằng thép không rỉ;giá đỡ và kẹp ống đảm bảo không rung lắc khi vận hành.
Trạm nguồn gồm bơm với lưu lượng và áp suất thích hợp vận hành các xi lanh đáp ứng vận tốc lên và xuống của cửa đập với vận tốc cho phép;với các van điều chỉnh,điều khiển tích hợp đảm bảo độ chính xác và tin cậy cao.Cọ các bơm và hệ thông dự phong các sự cố hy hựu.
Ngoài loại cánh cửa trên có thể dùng kiểu van đĩa như mô tả trên hình dưới đây các cửa van kiểu này dùng cho các đập thủy điện hoặc thủy lợi vừa và nhỏ.Với các cửa van có đường kính khoảng < 1500 mm
Trên thế giới hiện nay, một số nước Mỹ, Nga, Đức,… đã có những công ty chế tạo van đĩa với các kích thước khác nhau, làm việc ở dải áp suất khác nhau đã đạt được đến đường kính 8,2 m với cột nước 25 mH2O. Ở dải đường kính đến 1500 mm, Ở nước Đức đã chế tạo van đĩa chịu được cột nước đến 130 mH2O nhưng giá cả rất cao và ở điều kiện máy móc rất tối tân. Ở Việt Nam hiện nay chưa có nơi nào làm được đến dải đường kính 1500 mm,và đạt được cột áp 100 mH2O mà rò rỉ trong phạm vi cho phép theo TCVN về Van công nghiệp và Thử áp lực của van TCVN 4945 /2008, làm việc hiệu quả bền theo thời gian (gồm có loại đóng mở bằng động cơ điện thông qua hộp số kết hợp với quay tay và loại đóng mở bằng xylanh thủy lực kết hợp với đối trọng và bơm tay).

Kiểu van này được dùng phổ biến trong ngành thủy lợi và thủy điện.Bởi chúng có kết cấu đơn giản,điều kiển đong mở dễ dàng.Co thể dùng động cơ điện và hộp số;Xi lanh thủy lực với bơm tay kết hợp đối trọng cũng có thể đong mở bằng truyền dẫn thủy lực.
Ví dụ hình ảnh đang lắp đạt cửa van đĩa dưới đây:

Công ty Cổ phần tự động hóa An Huy
Địa chỉ: 91 Đê La Thành, Ô Chợ Dừa, Đống Đa, Hà Nội
Điện thoại: 0977282045 – 0989257507
Email: email anhuyhydraulic@gmail.com
Bạn đã có tài khoản? Đăng nhập